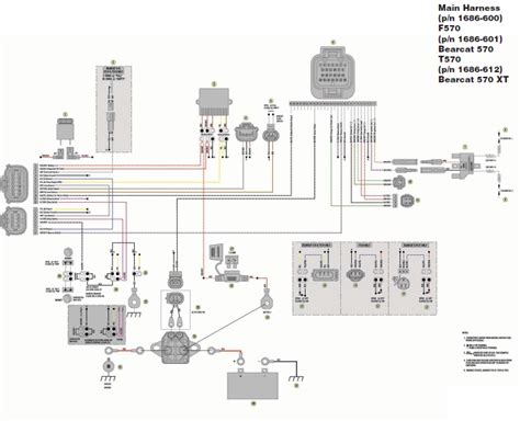
2014 Arctic Cat M8 Voltage Regulator Repair Guide

B.Designwall 128 views
2014 Arctic Cat M8 Voltage Regulator Repair Guide

2014 Arctic Cat M8 Voltage Regulator Repair Guide

Hey guys! If you’re a proud owner of a 2014 Arctic Cat M8 and you’ve been experiencing some electrical wonkiness, chances are your voltage regulator might be acting up. This little dude is super important for keeping your snowmobile’s electrical system humming along smoothly. Without it, you could be looking at anything from a dead battery to fried lights. Today, we’re going to dive deep into what the voltage regulator does, how to tell if yours is on the fritz, and most importantly, how to fix or replace it. So, grab your tools, maybe a warm beverage, and let’s get this M8 back in prime condition!

Understanding the Voltage Regulator’s Role

Alright, let’s get down to brass tacks. What exactly is a voltage regulator, and why should you even care about it on your 2014 Arctic Cat M8? Think of it as the gatekeeper of electricity for your snowmobile. Your snowmobile’s engine generates electricity, typically through the stator, and this electricity can vary wildly depending on how fast the engine is running. If you have a ton of raw electricity surging through your system, it’s like trying to drink from a firehose – messy and damaging! That’s where the voltage regulator steps in. Its primary job is to take the fluctuating voltage coming from the stator and convert it into a stable, usable voltage that your snowmobile’s battery and electrical components can handle. We’re usually talking about a range of around 13.5 to 14.5 volts DC. This steady stream ensures that your battery gets charged properly without being overcharged (which can damage it) and that your lights, ignition system, and other electronics receive consistent power. A properly functioning voltage regulator is crucial for the longevity and reliability of your entire electrical system. Without it, your battery might not get enough charge to start the engine, or worse, it could receive too much charge, leading to overheating and permanent damage. It’s a small component, but its impact is massive. So, when you’re troubleshooting electrical issues on your 2014 M8, always keep the voltage regulator in the spotlight. It’s the unsung hero that keeps the juice flowing just right.

Signs of a Failing Voltage Regulator

So, how do you know if your 2014 Arctic Cat M8’s voltage regulator is throwing a tantrum? There are several tell-tale signs, guys, and catching them early can save you a ton of headaches and cash. The most common symptom is a dead or weak battery . If you find yourself constantly needing to jump-start your M8, or if the battery just seems to die after a short period, the regulator might not be sending enough juice to keep it topped up. On the flip side, overcharging the battery is also a big red flag. You might notice a battery that feels unusually hot to the touch, or if you can smell a sulfuric or rotten egg smell, that’s often a sign of a battery being cooked by overvoltage. This can lead to the battery swelling or even leaking. Another indicator is dim or flickering lights . If your headlights seem weak, or if they’re brighter when you rev the engine and dimmer when it’s idling, your regulator is likely struggling to maintain a consistent voltage. Similarly, electrical components malfunctioning can point to a bad regulator. This could include your speedometer acting erratically, your ignition system sputtering, or any other electronic accessory cutting out. Sometimes, you might even notice a burnt smell coming from the vicinity of the regulator itself, which is usually a sign of it overheating and failing. Don’t ignore these symptoms! They are your snowmobile’s way of telling you something’s not right. The voltage regulator is often located near the engine or under the seat, and it usually has wires connecting to the stator and the battery. Keep an eye on these signs, and you’ll be one step ahead in diagnosing potential problems with your 2014 Arctic Cat M8’s electrical system. It’s better to be proactive and check it out than to be stranded in the middle of nowhere with a dead sled, right?

Testing the Voltage Regulator

Alright, you’ve noticed some of those pesky signs, and you suspect your 2014 Arctic Cat M8’s voltage regulator is the culprit. Now, how do we confirm this? Testing it isn’t rocket science, but you will need a multimeter , which is a pretty essential tool for any DIY mechanic. First things first, make sure your snowmobile is off and the battery is disconnected to avoid any nasty shocks. You’ll want to locate the voltage regulator – usually, it’s a finned metal component with several wires attached. Consult your M8’s service manual if you’re unsure of its exact location or the wire colors. The key test involves checking the voltage output . With the battery connected (but still be cautious!), start the engine. Using your multimeter set to DC volts, carefully probe the wires coming from the regulator that lead to the battery. At idle, you should be seeing a reading somewhere between 13.5 and 14.5 volts. As you increase the engine RPMs, this voltage should not climb significantly higher than, say, 15 volts. If you’re getting readings that are too low (like below 13 volts, meaning the battery isn’t charging) or too high (like 16 volts or more, which is overcharging), then your voltage regulator is very likely bad. You can also test the regulator’s ground connection and check for continuity between certain pins, but the voltage output test is usually the most definitive. If your multimeter readings are consistently outside the acceptable range, it’s time to consider replacing that regulator. Remember, safety first when working with a running engine and electrical systems!

Replacing the Voltage Regulator

Okay, guys, so you’ve confirmed that your 2014 Arctic Cat M8’s voltage regulator has kicked the bucket. Don’t sweat it! Replacing it is usually a straightforward job that most folks can handle with a bit of patience and the right tools. First, gather your supplies : you’ll need a new voltage regulator specifically for your 2014 M8 (make sure it’s the correct part number!), a socket set or wrenches, possibly some dielectric grease, and your trusty multimeter for a final check. Safety is paramount here , so disconnect the battery completely before you start working. Locate the old voltage regulator. It’s often mounted to the chassis with a couple of bolts or screws, and its wires will run to the stator and the main wiring harness. Carefully disconnect the wiring harness from the old regulator. Take note of how the wires are connected; sometimes, taking a quick photo can save you confusion later. Once the wiring is disconnected, remove the bolts or screws holding the old regulator in place. You might need to wiggle it a bit to get it free. Now, take your new voltage regulator. Before installing, it’s a good idea to apply a small amount of dielectric grease to the electrical connectors. This helps prevent corrosion and ensures a good electrical connection. Mount the new regulator in the same position as the old one and secure it with the bolts or screws. Reconnect the wiring harness, making sure each connection is snug and secure. Double-check all your connections to ensure they are correct and fully seated. Finally, reconnect the battery. Now comes the moment of truth: start your 2014 Arctic Cat M8 and let it run. Grab your multimeter again and perform the voltage output test we discussed earlier. You should now see a steady voltage reading within the acceptable range (13.5-14.5 volts at idle, not climbing excessively with RPMs). If everything checks out, congratulations, you’ve successfully replaced your voltage regulator! If you’re still experiencing issues, double-check your connections or consult your service manual. Sometimes, a failing stator can also mimic regulator problems, so be prepared for further troubleshooting if needed. But most of the time, a new regulator is all it takes to get your M8’s electrical system back in tip-top shape.

Choosing the Right Replacement Part

When it’s time to replace the voltage regulator on your 2014 Arctic Cat M8, choosing the right part is absolutely critical, guys. Using the wrong regulator can lead to undercharging, overcharging, or even damage to your electrical system. So, what should you be looking for? Always prioritize OEM (Original Equipment Manufacturer) parts if possible. These are the parts that Arctic Cat designed and tested for your specific M8 model. You can usually find the correct OEM part number in your owner’s manual or by contacting an Arctic Cat dealership with your snowmobile’s VIN. If OEM isn’t an option or if you’re looking for a more budget-friendly alternative, there are reputable aftermarket manufacturers that produce voltage regulators. However, do your homework . Read reviews, check forums, and ensure the aftermarket part is specifically listed as compatible with the 2014 Arctic Cat M8. Look for parts that come with a warranty, as this can offer peace of mind. Sometimes, aftermarket regulators are even improved versions of the OEM part, designed to be more robust or dissipate heat better. When comparing parts, pay attention to the specs – the number of pins, the connector type, and the voltage output rating should all match your original regulator. Don’t just grab the cheapest one you find; quality matters when it comes to electrical components. Investing in a reliable replacement part now will save you from potential electrical gremlins and costly repairs down the line. It’s always better to be safe than sorry, especially when it comes to the heart of your snowmobile’s electrical system.

Preventative Maintenance Tips

To keep your 2014 Arctic Cat M8’s electrical system running like a dream and to minimize the chances of voltage regulator failure, a little preventative maintenance goes a long way, folks. One of the most important things you can do is keep your electrical connections clean and corrosion-free . Regularly inspect the wiring harness, especially around the voltage regulator and battery terminals. Use a wire brush to clean off any corrosion, and consider applying a dielectric grease to protect the connections from moisture. Proper battery maintenance is also key. Ensure your battery is always fully charged, especially during off-season storage. A trickle charger is a great investment to keep your battery healthy. A weak or sulfated battery can put extra strain on the charging system, including the voltage regulator. Regularly check your snowmobile’s voltage output , just like we discussed in the testing section. Doing this a couple of times a season can help you catch a failing regulator before it completely dies. Also, keep an eye on your lights and accessories . Any signs of dimming, flickering, or erratic behavior should be investigated promptly. Overloading your electrical system with too many aftermarket accessories without upgrading the charging system can also stress the regulator. Be mindful of what you’re adding. Finally, keep your 2014 Arctic Cat M8 clean , especially the areas around the engine and electrical components. Mud and dirt can trap moisture and contribute to corrosion. By incorporating these simple checks and maintenance practices, you can significantly extend the life of your voltage regulator and ensure your M8 is always ready for your next adventure. It’s all about staying ahead of the game!

Conclusion

So there you have it, guys! We’ve covered the crucial role of the voltage regulator on your 2014 Arctic Cat M8, the common signs that indicate it might be failing, how to test it using a multimeter, and the step-by-step process for replacing it. Remember, this component is the unsung hero of your snowmobile’s electrical system, ensuring that your battery charges correctly and all your electronics receive the stable power they need. Don’t ignore those flickering lights or that weak battery! Catching these issues early and performing regular preventative maintenance can save you from costly repairs and ensure you spend more time riding and less time troubleshooting. Whether you’re a seasoned mechanic or a DIY enthusiast, tackling a voltage regulator replacement is a rewarding task that will get your 2014 M8 back in peak operating condition. Keep those sleds running strong, and happy trails!