Rowa Max Press 26: Complete Disassembly Guide

B.Designwall 31 views
Rowa Max Press 26: Complete Disassembly Guide

Rowa Max Press 26: Complete Disassembly Guide

Hey there, DIY enthusiasts! 👋 If you’re here, chances are you’re wrestling with a Rowa Max Press 26 pump and need a hand with a despiece , or in simpler terms, a disassembly guide. Don’t worry, you’re in the right place! I’m going to walk you through the entire process, step-by-step, to help you understand how this pump ticks and, more importantly, how to take it apart (and hopefully put it back together!). This guide is designed for the Rowa Max Press 26, a popular water pump often used in homes and small businesses. We’ll cover everything from the exterior components to the inner workings, including the impeller, pressure switch, and motor. So, grab your tools, and let’s get started! Whether you’re a seasoned handyman or a newbie, this guide will provide you with the knowledge and confidence to tackle your Rowa Max Press 26 disassembly. This will help you identify the problem and carry out the necessary repairs. Remember that working with electrical equipment always carries a risk. Before starting any work, disconnect the pump from the power supply, and if you are not sure about something, it is always a good idea to seek professional help. Safety first, guys!

Disassembling a water pump like the Rowa Max Press 26 can seem daunting, but breaking it down into manageable steps makes it a lot easier. This comprehensive guide will equip you with the knowledge and confidence to take on this task. We’ll start with the basics, like gathering the right tools, and then move on to the actual disassembly process. I’ll provide detailed instructions and helpful tips to make sure you can safely and effectively dismantle your pump. This is not just about taking the pump apart; it’s about understanding how it works, how its components interact, and how to identify potential problems. This understanding is key to successful repairs and maintenance. We’ll cover each part of the pump, explaining its function and how it fits into the overall system. We will explore the pump’s external components, such as the casing, pressure switch, and electrical connections. We will then move into the pump’s internal components, including the impeller, diffuser, and motor. By the end of this guide, you will have a clear understanding of the Rowa Max Press 26 and be able to disassemble it confidently, making repairs and maintaining it.

Tools and Safety Precautions for Disassembly

Before you dive in, let’s get you set up with the right tools and, most importantly, some safety tips. This is super important because working with electricity and water can be a recipe for disaster if you’re not careful. Trust me; safety is the name of the game here. First things first: Safety first, always! Disconnect the pump from the power source. Seriously, unplug it, and if possible, flip the breaker. This prevents any accidental shocks. Next, gather your tools. You’ll need a screwdriver set (both Phillips and flathead), a wrench set, pliers, and possibly a multimeter (for checking electrical components). A container to hold screws and small parts is a lifesaver to keep everything organized. A good work surface and some shop towels to wipe things down. And don’t forget work gloves and safety glasses to protect yourself from any debris. Also, check the area where you’ll be working, making sure it is well-lit and dry. A clean workspace is a happy workspace and helps prevent losing any parts. Now, a little bit about electrical safety: never work on the pump when it is connected to power, and if you’re unsure about any electrical aspects, consult a qualified electrician. Always double-check that the power is off before you start, and never rush the process. Taking your time will help ensure that the disassembly is successful and that you don’t damage the pump or, worse, injure yourself. Additionally, keep an eye out for any water leakage and clean it up immediately. Remember, patience and caution are your best friends in this kind of project. By following these safety precautions and gathering the necessary tools, you are well-prepared to start the disassembly process of your Rowa Max Press 26 water pump.

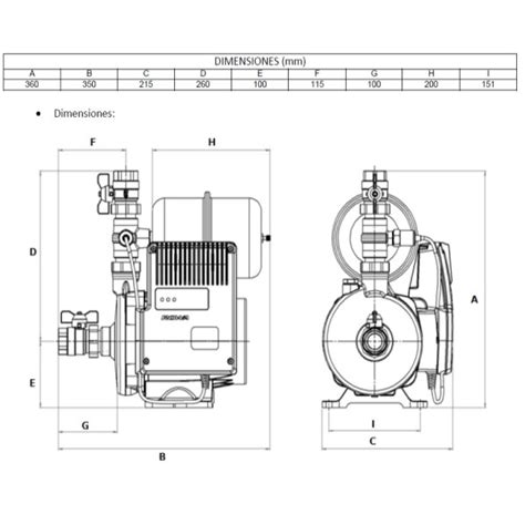
Before you start, make sure to read the user manual. It contains specific information about your model. It can be a great help when you’re looking for extra tips.

Step-by-Step Disassembly of the Rowa Max Press 26

Alright, let’s get down to the nitty-gritty and disassemble the Rowa Max Press 26 ! Remember, take your time and don’t force anything.

  1. Preparation : Make sure the pump is disconnected from the power supply. Gather your tools and set up your workspace. Take some pictures of the pump before you start disassembling it. This will help you when you put it back together!

  2. Exterior Inspection and Disassembly : Begin by inspecting the exterior of the pump. Check for any obvious signs of damage or leaks. Remove any protective covers or housings. Often, there will be a cover over the electrical connections, which you’ll need to remove to access the wiring. Carefully disconnect the wires, noting their positions or taking photos to help you remember where they go. Unscrew any bolts or screws that hold the motor to the pump housing. You might need a wrench for this. Note: Make sure to keep all the screws and bolts in a safe place.

  3. Pressure Switch Removal : The pressure switch is usually located on the pump’s body. Disconnect any wires connected to the pressure switch, and then unscrew or unbolt the switch from the pump. Take a close look at the switch and note its condition.

  4. Motor Disassembly : This is where things get a bit more technical. Carefully separate the motor from the pump housing. You’ll likely need to remove the impeller housing to access the motor. Be gentle and work slowly.

  5. Impeller and Diffuser Removal : Once you’ve separated the motor, you can access the impeller. Unscrew or unbolt the impeller housing. Then, carefully remove the impeller and diffuser. Be careful not to damage the impeller blades. Inspect them for wear and tear.

  6. Motor Disassembly (If Necessary) : If you need to service the motor, carefully disassemble it. This usually involves removing the end caps and accessing the internal components. This process can be quite complex, so if you’re not comfortable with it, you might want to consider taking the motor to a professional. This section is optional; most repairs are done without motor disassembly.

  7. Component Inspection : As you take each part apart, carefully inspect it. Look for signs of wear, damage, or corrosion. The impeller and diffuser are critical parts that are prone to wear. The pressure switch can fail over time. The motor’s bearings may wear out. Note any problems you find. Cleaning each component can also help you during the inspection.

  8. Cleaning : Thoroughly clean all the parts. Use a brush or cloth to remove any debris or dirt. You can use a mild soap solution for stubborn grime. Make sure everything is dry before reassembling.

Troubleshooting Common Issues

So, you’ve taken your Rowa Max Press 26 apart. Now what? Well, the goal is usually to fix a problem, right? Let’s look at some common issues and how you might spot them during your despiece .

  • Pump Won’t Start : If your pump isn’t turning on, check the electrical connections first. Are the wires connected properly? Is the motor getting power? If the motor is getting power, the issue might be a faulty pressure switch or a seized impeller.
  • Low Water Pressure : This could be due to a worn impeller, a clogged diffuser, or a faulty pressure switch. Inspect these components for damage or blockages.
  • Pump Cycles On and Off Frequently : This is often a sign of a leak in the system or a faulty pressure switch. Check for leaks in the pipes and inspect the pressure switch for proper function. The frequent cycling can also be a sign of a clogged impeller or diffuser.
  • Leaks : Any leaks should be addressed immediately. Check all seals and connections for damage. Replace any worn seals.

Common Components and Their Functions :

  • Impeller : This is the heart of the pump. It rotates and moves the water.
  • Diffuser : This part helps direct the water flow and increase pressure.
  • Pressure Switch : This component turns the pump on and off based on water pressure.
  • Motor : This provides the power to turn the impeller.

Remember, troubleshooting is a process of elimination. Start with the simplest checks and work your way to the more complex ones. If you’re not comfortable with any of the steps, it’s always best to seek help from a professional. The goal is to get your pump running smoothly again and ensure your water supply is reliable. By knowing how the different parts work and what to look for, you’ll be well on your way to a successful repair.

Reassembly and Testing

Okay, so you’ve cleaned everything, replaced what needed replacing, and now it’s time to put that Rowa Max Press 26 back together! This is where those pictures you took earlier really come in handy.

  1. Reassemble the Motor : If you disassembled the motor, put it back together carefully. Make sure all the parts are in the right place.

  2. Attach the Impeller and Diffuser : Put the impeller and diffuser back into the pump housing. Make sure the impeller is securely attached.

  3. Connect the Motor to the Pump Housing : Carefully reattach the motor to the pump housing. Ensure everything is aligned correctly.

  4. Reinstall the Pressure Switch : Screw or bolt the pressure switch back onto the pump body.

  5. Reconnect the Wiring : Reconnect the wires, referring to your photos or notes. Make sure everything is properly connected and secure.

  6. Replace Any Covers and Housings : Put all protective covers and housings back in place.

  7. Testing : This is the moment of truth! Reconnect the pump to the power supply, and turn it on. Watch for any leaks and listen for any unusual noises. Check the water pressure.

  8. Final Checks : Check for any leaks. Make sure the pump is running smoothly. Ensure the pressure is at the correct level.

Putting the pump back together is like retracing your steps. Use the photos you took during disassembly to guide you. If you replaced any parts, make sure they are installed correctly. When you turn the pump on, listen for any strange noises, and watch for leaks. Take your time, double-check everything, and you should be good to go.

Conclusion: You’ve Got This!

Alright, guys, you’ve reached the end! I hope this guide helps you disassemble your Rowa Max Press 26 water pump. Remember, take your time, be patient, and don’t be afraid to ask for help if you need it. By following these steps, you should be able to disassemble the pump, identify the problem, and hopefully get it running smoothly again. Regular maintenance and understanding your equipment is a great skill that can save you time and money. With a bit of patience and attention to detail, you can successfully take apart your pump. Good luck with the repairs! And if you run into any issues, don’t hesitate to reach out to a professional.

Now get out there and get that pump fixed! đź’Ş